Контакты
Новости
Каталоги
 Войти
Сортировать:
Сначала новые
Сначала старые
Цена ↑
Цена ↓
Кол-во ↑
Кол-во ↓
Имя A→Я
Имя Я→A
Серийник ↑
Серийник ↓
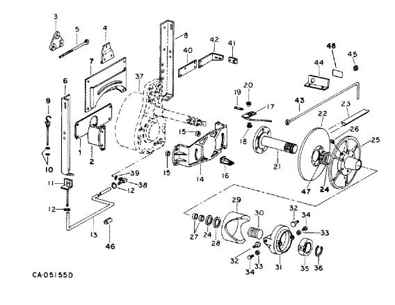
193946C1 - трубка
16 690 ₽
193948C1 - Шкив прив. вент. выдув. 2366/88, 6130/40/50
16 675 ₽
1939616 - винт
700 ₽
193965C92 - Сальник шкива вариатора прив. ротора комб. Case 2388, 6130
5 401 ₽
193966C2 - пластина
64 201 ₽
1939745 - Ручной тросик дроссельной заслонки
42 619 ₽
1939949 - кольцо
2 135 ₽
1939950 - кольцо
2 632 ₽
193999C3 - Шкив ремня прив. кам. накл. Case 2388
124 388 ₽
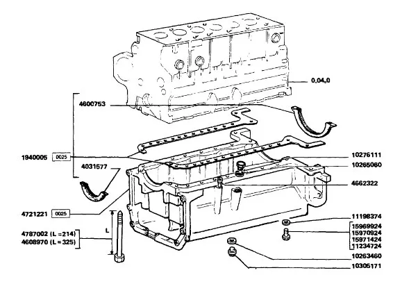
1940001 - Комплект прокладок маслянного поддона
3 200 ₽
1940004 - комплект
4 377 ₽
87533039 - Люк
414 282 ₽
9627896 - Болт
335 ₽
AGCO0926-81-80-00
335 ₽
AGCO0954-40-14-00
335 ₽
AGCO1440303X1
335 ₽
AGCO1696124M2
335 ₽
AGCO3583301M91
335 ₽
AGCO3726864M1
335 ₽
1940005 - Прокладка поддона ДВС тракторы Fiat до 04г.в.
3 183 ₽
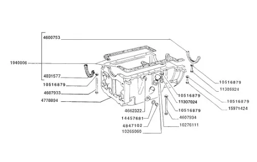
1940006 - Прокладка
1 799 ₽
1940016 - Комплект прокладок двигателя
95 556 ₽
1940034
122 876 ₽
1940044 - Набор упл. ГБЦ ДВС тракторы Fiat до 04г.в.
53 129 ₽
«
<
1
...
505
506
507
508
509
...
34117
>
»
Страница:
Перейти